To Close This Window Click Here

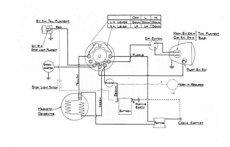
10D Wiring Diagram(rectified)