To Close This Window Click Here

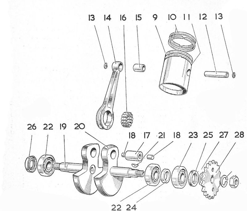
07E Crankshaft