To Close This Window Click Here

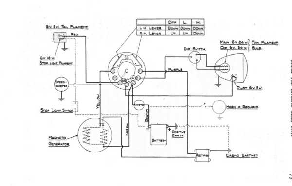
06E Wiring Diagram(rectified)