To Close This Window Click Here

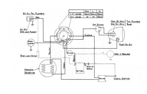
07E Wiring Diagram(rectified)